Structural Calculation
SummaryStructural calculations for beam, column and foundation of a house extension.
Structural Calculation for Nice Road 1
1. Loadings
Pitched roof DL+LL 2.0 kN/m²
Flat roof ... 1.8
Ground floor ... 7.3
Other floor ... 2.0
Cavity wall ... 3.9
102 brick wall ... 2.25
100 block wall ... 1.4
600x300 strip footing 4.2 kN/m strip length
2. Existing Roof Structure
Roof Loadings

Loading on existing roof before extension:
(3.3m + 3.3m) x 2.0kN/m² = 13.2kN/m (length along roof ridge)
Loading on existing roof after extension:
3.3m x 2.0kN/m² + 3.1m x 1.8kN/m² / 2 = 9.39kN/m < 13.2
There is no load increase on existing roof structure. Therefore, strengthening to the existing roof structure is not required.
3. New Roof Structure
Roof covering the extended part consists of a flat part and a pitched part. The pitched part of the roof is the same as existing in length and slope(38°). The flat roof has a span of 3.1m which is less than that of the sloped roof length(3.3m). Therefore, any rafter size greater than existing size(47x100) should be satisfactory.
The adopted rafter size for the new roof is increased to 47x150, C16.
4.New Roof Ridge over Garage

Over the garage, the new roof ridge beam will pick up 1 valley beam, 1 perpendicular ridge beam.
The existing roof is strengthened locally by doubling the rafter at the ridge beam position to pick up loads from the left valley beam and the new ridge beam.
The new ridge beam is propped up above the middle wall by a vertical post. Load distribution over the region are shown below:

Force inserted by the valley beam at end A:
Valley beam horizontal length = 2.6 x 1.4 = 3.64m
End force at A = (2.3 + 2.3) x 3.64 / 2.0 / 3.0 = 2.8kN
Forces inserted by new ridge beam at end A:
1.4 x 4 / 2 = 2.8kN
3.3 x 2.6 / 2 / 3 = 1.43kN
3.3 x 1.4 x 0.7 / 4 = 0.81kN
Total = 2.8 + 1.43 + 0.81 = 5.01kN
Force from ridge beam right of point A, assuming simply supported:
3.3 x 2.6 / 2.0 = 4.29kN
Total concentrated force at end A = 2.8 + 5.01 + 4.29 = 12.1kN

Force in the post:
12.1 x 3.1 / 2.7 + 3.3 x 0.5 x 2.85 / 2.7 + 3.3 x 2.6 x 0.5 x 1.7 / 2.7 =
13.90 + 1.74 + 2.70 = 18.34kN
Post size 100x200, grade C24, compression capacity: 420kN > 18.34kN OK.
Bending moment in ridge beam at top of post: 12.1 x 0.5 = 6.1kNm
Ridge beam size 2x50x225, grade C24, moment capacity: 20kNm > 6.1 OK.
First Floor Steel Beams

5. Beam sizes
Beams on grid line 3-3 supporting the gable end wall are of size 2x203x102x23, grade S275.
Plastic modulus: 2 x 256.3 = 512.6 cm³
Moment capacity: 275 x 512.6 x 10³ = 141 kNm
All other steel beams are of size 203x102x23, grade S275.
Moment capacity = 70 kNm
6. Steel Beam on Grid G-G
Load from first floor area of width 2.58m, udl = 2.58 x 2.0 = 5.16 kN/m

B.M = 5.16 * 3.92² / 8 = 9.91kNm < 70 OK
Reaction on left end: R1 = 5.16 x 3.92 / 2 = 10.11 kN
Reaction on right end: R2 = 5.16 x 3.92 / 2 = 10.11 kN
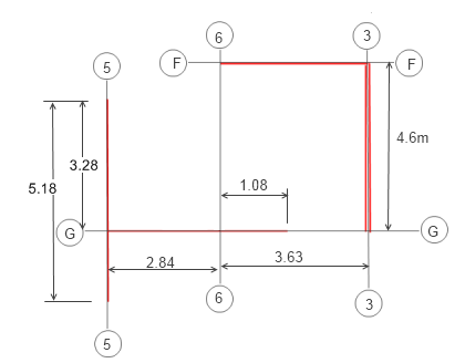
7. Steel Beam on Grid 5-5
This beam carries
1. Point load 10.11 kN from beam on Grid G-G
2. First floor udl = 2.0 x 1.76 = 3.52 kN/m
3. upstair partition wall udl = 1.4 x 2.38 = 3.33 kN/m
4. Roof load distributed through the roof truss udl = 2.0 x 3.4 = 6.8 kN/m
Total 13.65

Left end reaction R1 = 13.65 x 5.18 / 2.0 + 10.11 x 1.90 / 5.18 = 39.06 kN
Right end reaction R2 = 13.65 x 5.18 + 10.11 - 39.06 = 41.76 kN
Mid-span B.M = 39.06 x 5.18 / 2.0 - 13.65 x 5.18² / 8.0 = 55.38 kNm < 70 kNm OK
B.M under point load = 39.06 x 3.28 - 13.65 x 3.28² / 2.0 = 54.69 kNm OK
8. Steel Beam on Grid 3-3(double joist 203x102x23)
udl from gable end wall: 3.9 x (2.38 + 1.88/2) = 12.87 kN/m
udl from part of the roof: 2.0 x 3.73 / 2.0 = 3.73 kN/m
Total udl = 12.87 + 3.73 = 16.60 kN/m
B.M over span 4.6m = 16.60 x 4.6² / 8.0 = 43.91 kNm < 140kNm OK
9. Foundation check under beam on grid 5-5
This part of the foundation is the most critical due to the concentrated load from the steel beam that is needed to replace the removed wall. Check is needed where the steel beam rests on the middle wall.
Load from both side of roof : 2.0 x 3.3 = 6.6 kN/m
Load from both side of roof ceiling: 1.8 x 4.0 = 7.2 kN/m
Load from first floor: 1.8 x 4.0 = 7.2 kN/m
Load from ground floor: 7.3 x 4.0 = 29.2 kN/m
Load from wall: 3.9 x 5.0 = 19.5 kN/m
Total : 6.6 + 7.2 + 7.2 + 29.2 + 19.5 = 69.7 kN/m
Ground bearing capacity: 120 kN/m²
600mm footing capacity : 0.6 x 120 = 72 kN/m.
General loading on middle wall without concentrated force from steel beam:
69.7 kN/m < 72 kN/m OK
Under concentrated force of 41.76 kN(see calculation 7), provide padstone with steel plate of length 300mm, this force can be distributed over a footing length of
0.3 + 2 x 3.5 = 7.3m
where 3.5m is the height from base of footing to top of padstone
Extra force on footing: 41.76 / 7.3 = 5.72 kN/m
However, from this total force, we can deduct part of the first floor loading that is already distributed onto the steel beam through timber floor joists. We can reasonably take a reduction of
2.0 x 2.5 = 5 kN/m
Thus the force per metre after deduction is
69.7 + 5.72 - 5.00 = 70.42 kN/m < 72 OK
10. Gable end wall stability
The middle wall to be extended up on west side to the flat roof level to provide extra stability.
I addition, due to the fact that there are 2 orthogonal roof ridges, the gable end walls are more stable than usual.
11. New Foundation
All new foundations to the 3 sides of the extension area are to match the existing foundation.
*** END ***